Kubota-Tractor-L305DT-PM-01640

£19.00

Kubota-Tractor-L305DT-PM-01640

 Approx 164 Pages 

Select Digital Download or Digital Disk Posted 

As we stock 1000's of manuals we do not have the time to list full details of the content of
each individual manual. If you want specific information send us a message Click Here we will let you know if it is in it.
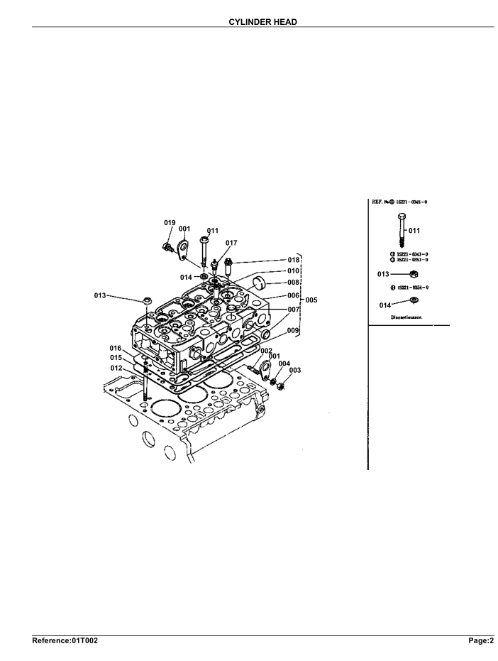
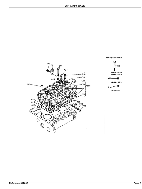
We may give an aprox page count and also show  photographs of random page scans of the manual.
This should show the quality and content of the manual.

 

DIGITAL Workshop Manual
Select Download or Posted on Disk 

All manuals are highly detailed with many illustrations and photographs. The depth that the manual goes into is consistant with the page count. 200 plus pages is classed as a detailed manual.
500 plus pages is classed as a very detailed Dealers Manual.