Massey Ferguson 8210 8220 8240 8250 8260 8270 8280 Dealers Workshop Manual

£44.00

Massey Ferguson 8200 Series 8210 8220/8220 Xtra 8240/8240 Xtra 8250/8250 Xtra 8260/8260 Xtra 8270/8270 Xtra 8280/8280 Xtra Tractors
Workshop Manual   Very Large Manual 1878 pages

Select Digital Download or Posted on a Disk

As we stock 1000's of manuals we do not have the time to list full details of the content of
each individual manual. If you want specific information send us a message Click Here we will let you know if it is in it.
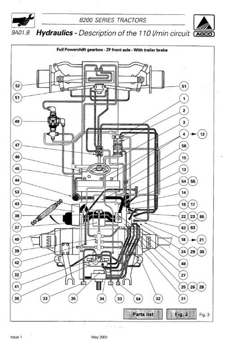
We may give an aprox page count and also show  photographs of random page scans of the manual.
This should show the quality and content of the manual.

 

DIGITAL Workshop Manual
Select Download or Posted on Disk 

All manuals are highly detailed with many illustrations and photographs. The depth that the manual goes into is consistant with the page count. 200 plus pages is classed as a detailed manual.
500 plus pages is classed as a very detailed Dealers Manual.

Create Your Own Website With Webador